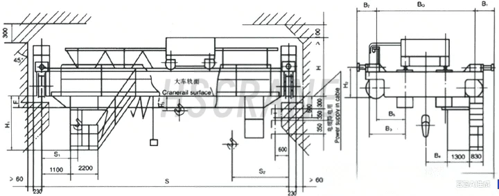
Взрывозащищённый двухбалочный мостовой кран
Взрывозащищённый двухбалочный мостовой кран предназначен для работы в высокорискованных взрывоопасных и горючих средах. Он используется в нефтехимической промышленности, угольных шахтах, на предприятиях по добыче природного газа, в военной отрасли, пищевой и текстильной промышленности.
Кран обеспечивает безопасный подъём тяжёлого оборудования, сырья и готовой продукции. Это могут быть реакционные котлы, ёмкости для хранения, трубопроводы, порох и пылевидные материалы. Взрывозащищённая конструкция предотвращает аварии, вызванные искрами, статическим электричеством или высокой температурой. Это особенно важно для зон с высокой концентрацией взрывоопасных газов или пыли. Кран обеспечивает безопасное и эффективное выполнение подъёмных задач.
Особенности Взрывозащищённого двухбалочного мостового крана
-
Безопасная эксплуатация во взрывоопасных газовых или пылевых средах.
-
Управление с земли через пульт дистанционного управления или с кабины крана, адаптируясь к условиям работы.
-
Внешние части выполнены из искробезопасных материалов для предотвращения взрывов.
-
Производство в соответствии со стандартами GB 3836.2-2010 и JB/T 5897-2014. Обеспечивается безопасность, надёжность, долговечность и низкие затраты на обслуживание.
-
Основные компоненты имеют взрывозащищённую конструкцию по стандартам GB3836, ATEX и другим. Исключается риск взрывов от искр или высокой температуры.
Сертификаты взрывозащиты
Взрывозащищённый двухбалочный мостовой кран соответствует строгим международным и региональным сертификатам, включая IECEx, ATEX для Европы, CCC, Сертификат безопасности для горнодобывающей промышленности и Сертификат взрывозащиты Китая.
Применение
-
Нефтехимическая промышленность: подъём тяжёлого оборудования, например реакционных котлов и ёмкостей, во взрывоопасных условиях.
-
Шахты: безопасная работа с горной техникой и материалами в газоопасных зонах.
-
Заводы по переработке природного газа: подъём трубопроводов, компрессоров и другого оборудования с предотвращением утечек и взрывов.
-
Военная и боеприпасная промышленность: обработка и сборка опасных материалов, таких как порох и боеприпасы.
-
Зерноперерабатывающие предприятия: безопасная транспортировка материалов в пылевых взрывоопасных средах, например мука и крахмал.
-
Склады лакокрасочных и растворителей: безопасная погрузка и разгрузка в зонах хранения летучих химических веществ.
-
Производство литий-ионных аккумуляторов: работа с горючими и взрывоопасными материалами, такими как электродные материалы.
-
Текстильные фабрики (пылевые зоны): подъём крупного оборудования в средах с пылью хлопка и химических волокон.






